







Preview text:
lOMoAR cPSD| 59561451
BÀI THỰC HÀNH SỐ 2: Mô phỏng hệ thống điều khiển bộ nghịch lưu ba pha
Ngày thực hành: 21/9-24/9/2024
Giảng viên hướng dẫn: Cô Nguyễn Thị Thanh Quỳnh I. MỤC ĐÍCH
- Bài thực hành giúp sinh viên làm quen và sử dụng
Simscape/Power Systems/ Specialized Technology để có thể mô phỏng hệ thông
điều khiên nghịch lưu ba pha. Qua đó thành thạo hơn việc sử dụng các khối
trong Matlap Simiulink để phục vụ cho các bài thực hành sau.
- Hiểu rõ nguyên lý hoạt động: Mô hình hóa chi tiết các thành phần của hệ thống
nghịch lưu, bao gồm các mạch điện tử công suất, bộ điều khiển, cảm biến, và tải.
Quan sát trực quan quá trình hoạt động của hệ thống dưới các điều kiện khác
nhau, từ đó nắm vững nguyên lý làm việc của từng thành phần và toàn bộ hệ thống.
- Ghi lại kết quả đo được của hệ thống thông qua phần mềm mô phỏng và so sánh với thực tế. II. NỘI DUNG
II.1. Cấu tạo và nguyên lý làm việc của sơ đồ hệ thống a. Cấu tạo
- Một hệ thống điều khiển bộ nghịch lưu ba pha điển hình bao gồm các thành phần sau:
+ Nguồn DC: Có thể là pin, acquy, hoặc bộ chỉnh lưu từ nguồn AC.
+ Mạch cầu nghịch lưu: Gồm 6 linh kiện bán dẫn công suất được mắc thành cầu H. 1 lOMoAR cPSD| 59561451
+ Bộ điều khiển: Thường là vi điều khiển hoặc bộ vi xử lý, thực hiện các thuật toán điều khiển.
+ Cảm biến: Đo các thông số như điện áp, dòng điện, tốc độ, để cung cấp phản
hồi cho bộ điều khiển.
+ Bộ lọc: Giảm thiểu nhiễu và hài hòa trong sóng điện áp và dòng điện đầu ra.
Tải: Thiết bị tiêu thụ điện năng. b. Nguyên lý làm việc
Hệ thống điều khiển bộ nghịch lưu ba pha hoạt động dựa trên việc chuyển
đổi năng lượng điện một chiều (DC) từ nguồn cung cấp thành năng lượng
điện xoay chiều (AC) ba pha có tần số và biên độ mong muốn. Quá trình
này được thực hiện thông qua các linh kiện bán dẫn công suất (như IGBT,
MOSFET) được điều khiển bởi các tín hiệu từ bộ điều khiển.
+ Tín hiệu điều khiển: Bộ điều khiển tạo ra các tín hiệu PWM (Pulse Width
Modulation) để điều khiển các linh kiện bán dẫn công suất. Bằng cách thay đổi độ
rộng xung của các tín hiệu này, ta có thể điều chỉnh biên độ và tần số của điện áp và dòng điện đầu ra.
+ Linh kiện bán dẫn công suất: Các linh kiện này đóng mở nhanh chóng để tạo ra
các xung điện áp và dòng điện, từ đó tạo ra sóng điện áp xoay chiều.
+ Bộ lọc: Bộ lọc được sử dụng để làm giảm độ nhấp nhô và hài hòa trong sóng
điện áp và dòng điện đầu ra, giúp cải thiện chất lượng điện năng.
+ Tải: Điện áp xoay chiều đầu ra được cung cấp cho tải, có thể là động cơ điện,
máy biến áp, hoặc các tải khác. II.2. Mô phỏng a. Công cụ mô phỏng
- m.file của MATLAB để khai bao thông số.
- Thư viện simulink của MATLAB Simulink và các khốichức năng.
- Thông số các phần tử cần mô phỏng. 2 lOMoAR cPSD| 59561451
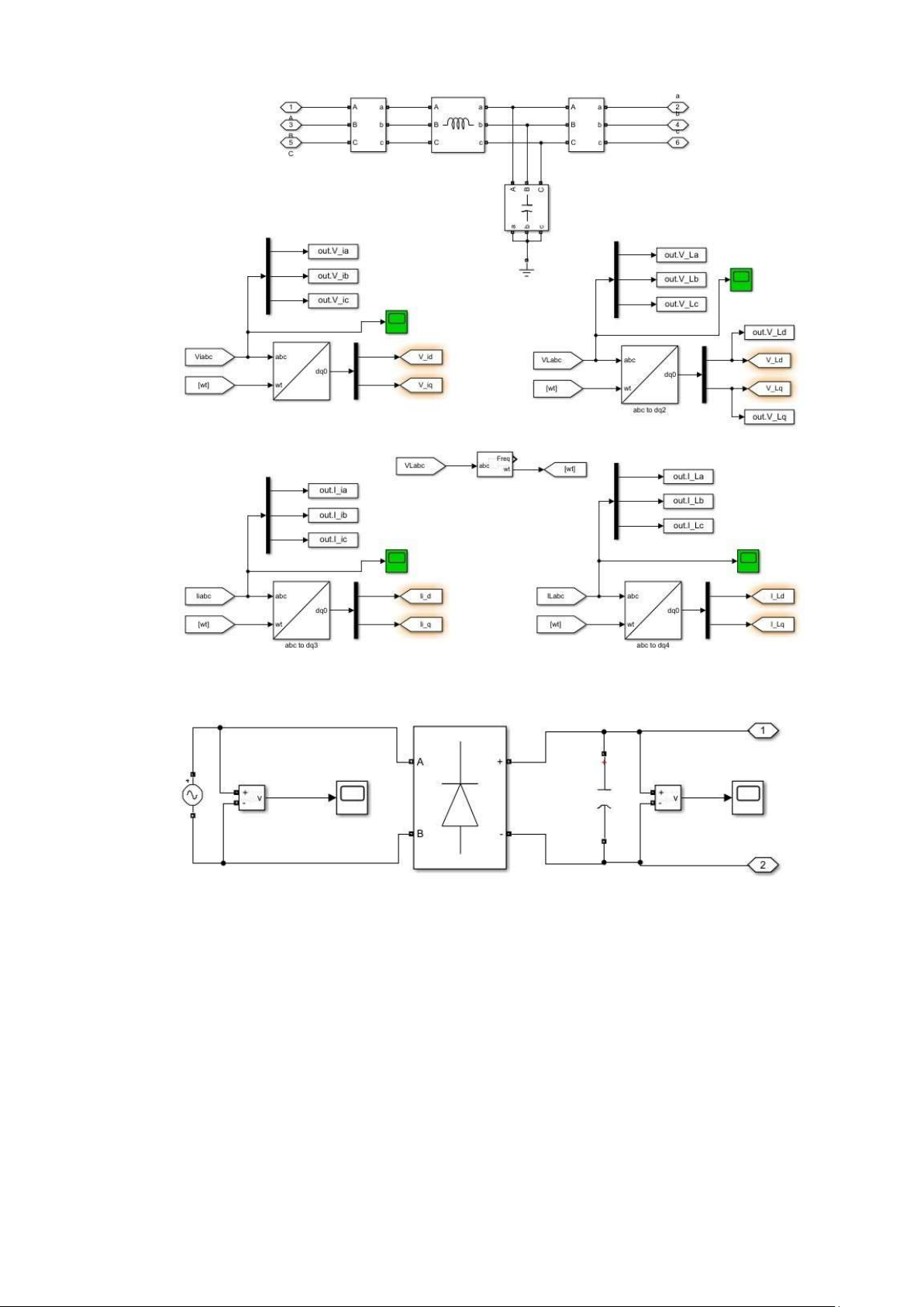
b. Sơ đồ/code mô phỏng - Code mô phỏng: clear all; Tstop = 0.2;
Vdc=295; % DC-Link Voltage (V) fz =
5000; %PWM Freguency (Hz) Tz =
1/fz;%PWM Period (Seconds) wz = 2*pi*fz; %(rad/s)
Ts=2e-6;% Sampling time (Seconds) Iz/100 Vmax =2/3*Vdc; Vmin =-Vmax; fn=60; %Grid Frequency (Hz) w=2*pi*fn; %(rad/s)
Lf=10e-3;%Inductance of IC-filter (H) Cf=6.5e-
6;%Capacitance of LC-filter (F) fc=1/(2*pi*sqrt(Lf*Cf)); %
cut-off frequency (Hz) k1=1/Cf; k2=1/Lf;
Rload_Linear = 60; %Resistive load - Sơ đồ mô phỏng: + Bộ lọc LC: 3 lOMoAR cPSD| 59561451 + VDC supply
+ Bộ điều chế độ rộng xung dạng sin (Sine-PWM) 4 lOMoAR cPSD| 59561451 c. Kết quả 5 lOMoAR cPSD| 59561451 Hình 1: VDC
Hình 2: Viabc ( điện áp đầu ra inverter 3 pha )
Hình 3: Iiabc (dòng điện đầu ra inverter 3 pha ) 6 lOMoAR cPSD| 59561451
Hình 4: VLabc ( điện áp trên tải 3 pha )
Hình 5: ILabc ( dòng điện ra trên tải 3 pha ) d. Kết luận
- Một mô hình mô phỏng chính xác sẽ giúp chúng ta dự đoán được hiệu suất của
hệ thống, giảm thiểu rủi ro và chi phí trong quá trình phát triển.
- Kết quả mô phỏng phù hợp với sự biên thiên của các đại lượng vật lý của hệ thống. 7 lOMoAR cPSD| 59561451 III. NHẬN XÉT
- Các mục thực hành của bài đã được hoàn thành và ghi lại kết quả mô
phỏng được trên phần mềm Matlap simulink.
- Qua bài thực hành, sinh viên hiểu hơn về nguyên lí và sơ đồ làm việc của
bộ điều khiển nghịch lưu 3 pha, thành thạo việc sử dụng Simscape/Power
Systems/ Specialized Technology để có thể mô phỏng hệ thông điều khiên nghịch lưu ba pha.
- Kết quả đạt được của bài thực hành so với thực tế không có nhiều sai số .
- Một mô hình mô phỏng chính xác sẽ giúp chúng ta dự đoán được hiệu
suất của hệ thống, giảm thiểu rủi ro và chi phí trong quá trình phát triển. 8