














Preview text:
Bài giảng
Học phần: Thiết kế hệ thống và mô phỏng Mã học phần: EEE703072 Bài thực hành số 4:
Mô phỏng một số hệ thống cơ bản
Giảng viên: TS. Nguyễn Tuấn Anh Khoa Điện – Điện tử
Email: anh.nguyentuan2@phenikaa-uni.edu.vn 08/2022 Bài thực hành số 4:
Mô phỏng một số hệ thống cơ bản
1. Mô hình quá trình khuấy trộn chất lỏng đẳng nhiệt
2. Mô hình hệ hai bồn chứa tương tác
3. Mô hình quá trình khuấy trộn chất lỏng không đẳng nhiệt
4. Mô hình quá trình trao đổi nhiệt dùng hơi bão hòa 5. Báo cáo kết quả 2
1. Mô hình quá trình khuấy trộn chất lỏng đẳng nhiệt– (1) Giới thiệu
Cho mô hình của bồn chứa chất lỏng đẳng nhiệt như hình,
chất lỏng đầu vào với lưu lượng và khối lượng riêng
, chất lỏng đầu ra có lưu lượng và khối lượng riêng
, nhiệt độ trong bồn chứa là hằng số (bồn chứa cách nhiệt),
quá trình khuấy là hoàn hảo. Đây là một ví dụ cho quá trình
khuấy, ủ trong chế biến thực phẩm, đồ uống hoặc xử lý nước thải trong thực tế.
Bài thực hành số 4: Mô phỏng hệ thống điều khiển động cơ đồng bộ 3 pha3
1. Mô hình quá trình khuấy trộn chất lỏng đẳng nhiệt– (2) Giới thiệu
Phương trình cân bằng khối lượng:
Giả thiết khối lượng là đồng nhất , là diện tích mặt
cắt ngang của bồn chứa :
Ở chế độ vòng hở thì lưu lượng là một hàm của mức trong bồn chứa:
Để duy trì mức ở trong bồn chứa ở một giá trị nào đó ta cần thay đổi hệ số xả
Bài thực hành số 4: Mô phỏng hệ thống điều khiển động cơ đồng bộ 3 pha4
1. Mô hình quá trình khuấy trộn chất lỏng đẳng nhiệt– (3) Mô hình phi tuyến
Tổng số biến mô tả quá trình là 3:
Tham số của quá trình là
Phương trình mô tả quá trình:
Mô phỏng mô hình phi tuyến của hệ bằng MATLAB simulink
Bài thực hành số 4: Mô phỏng hệ thống điều khiển động cơ đồng bộ 3 pha5
1. Mô hình quá trình khuấy trộn chất lỏng đẳng nhiệt– (4)
Tuyến tính hóa quanh điểm làm việc
Tuyến tính hóa quanh điểm làm việc của mức trong bồn chứa:
Phương trình mô tả quá trình tuyến tính:
Mô phỏng mô hình tuyến tính của hệ bằng MATLAB simulink
Bài thực hành số 4: Mô phỏng hệ thống điều khiển động cơ đồng bộ 3 pha6
1. Mô hình quá trình khuấy trộn chất lỏng đẳng nhiệt– (5) Sơ đồ mô phỏng
Mô hình bồn chứa chất lỏng đẳng nhiệt với các tham số , quá
trình mức trong bồn chứa có giá trị tại điểm làm việc là hệ số xả tại điểm làm việc có .
Bài thực hành số 4: Mô phỏng hệ thống điều khiển động cơ đồng bộ 3 pha7
1. Mô hình quá trình khuấy trộn chất lỏng đẳng nhiệt– (6) Kết quả mô phỏng
Mô hình bồn chứa chất lỏng đẳng nhiệt với các tham số , quá
trình mức trong bồn chứa có giá trị tại điểm làm việc là hệ số xả tại điểm làm việc có .
Bài thực hành số 4: Mô phỏng hệ thống điều khiển động cơ đồng bộ 3 pha8
2. Mô hình hai bồn chứa tương tác– (1) Giới thiệu
Mô hình hai bồn chứa tương tác như hình, đầu ra là mức ở bồn chứa số 2,
đặt biến trạng thái là đầu ra là , đầu vào là .
Phương trình vi phân biểu diễn động học hệ thống:
Bài thực hành số 4: Mô phỏng hệ thống điều khiển động cơ đồng bộ 3 pha9
2. Mô hình hai bồn chứa tương tác– (2) Giới thiệu
Mô hình hai bồn chứa tương tác như hình, đầu ra là mức ở bồn chứa số 2,
đặt biến trạng thái là đầu ra là , đầu vào là .
Bài thực hành số 4: Mô phỏng hệ thống điều khiển động cơ đồng bộ 3 pha10
2. Mô hình hai bồn chứa tương tác– (3) Kết quả mô phỏng
Mô hình2 bồn chứa tương tác với các tham số điểm làm việc là . .
Bài thực hành số 4: Mô phỏng hệ thống điều khiển động cơ đồng bộ 3 pha11
3. Mô hình quá trình khuấy trộn chất lỏng không đẳng nhiệt– (1) Giới thiệu
Mô hình khuấy trộn chất lỏng không đẳng nhiệt như hình vẽ. Giải thiết nhiệt
độ của chất lỏng đi ra đúng bằng nhiệt độ chất lỏng trong bồn chứa.
Phương trình mô tả quá trình: (1) (2)
Phương trình bảo toàn năng lượng: Hay:
- Tổng số biến mô tả quá trình: A (3) - Biến đầu vào:
- Số phương trình mô tả hệ thống: 3
Bài thực hành số 4: Mô phỏng hệ thống điều khiển động cơ đồng bộ 3 pha12
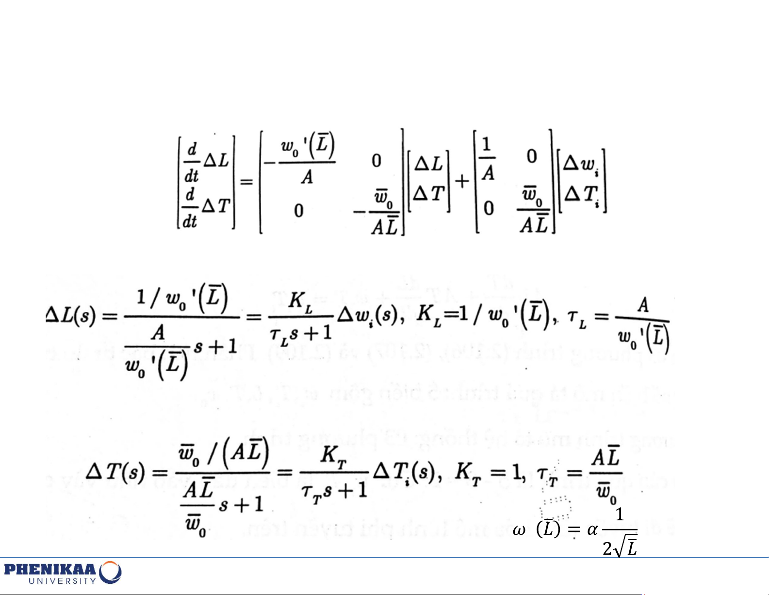
3. Mô hình quá trình khuấy trộn chất lỏng không đẳng nhiệt– (2)
Mô hình tuyến tính hóa quanh điểm làm việc
Mô hình không gian trạng thái: Mô hình hàm truyền:
Bài thực hành số 4: Mô phỏng hệ thống điều khiển động cơ đồng bộ 3 pha13
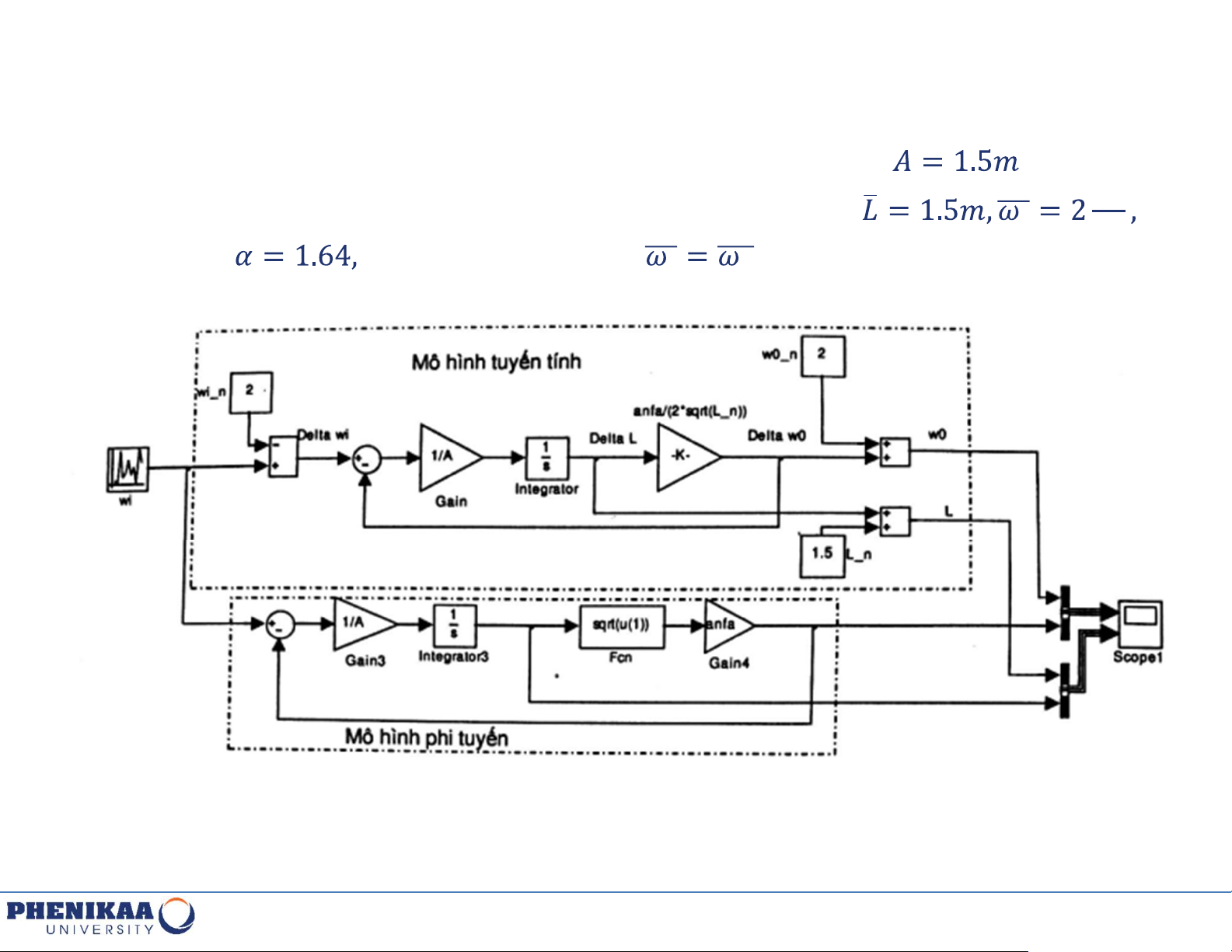
3. Mô hình quá trình khuấy trộn chất lỏng không đẳng nhiệt– (3) Mô phỏng
Cho quá trình khuấy trộn không đẳng nhiệt có các giá trị tại điểm làm việc là Giả thiết
là các đầu vào có dạng:
Mô phỏng đáp ứng quá độ với mô hình phi tuyến và mô phình tuyến và nhận xét.
Bài thực hành số 4: Mô phỏng hệ thống điều khiển động cơ đồng bộ 3 pha14
3. Mô hình quá trình khuấy trộn chất lỏng không đẳng nhiệt– (4) Kết quả Mô phỏng Nhận xét???
Bài thực hành số 4: Mô phỏng hệ thống điều khiển động cơ đồng bộ 3 pha15